








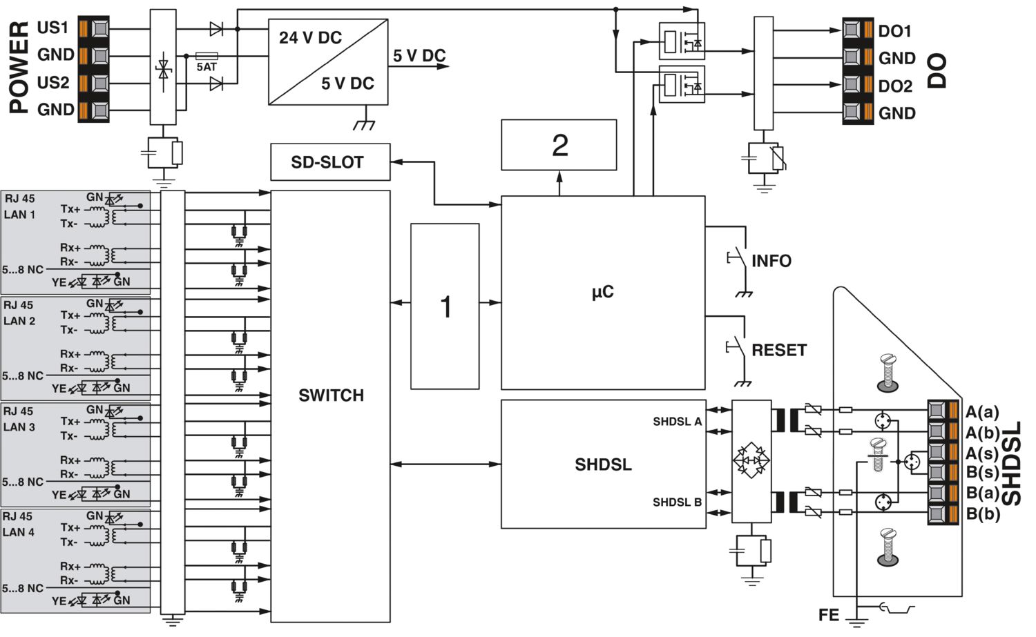
Managed Ethernet extender, point-to-point, line and ring structures, data rates up to 30 Mbps, distances of up to 20 km on in-house copper cables, replaceable surge protection, 2 SHDSL ports, 4-port switch, diagnostics via display and Ethernet
Your cart is empty.
Return to shop