


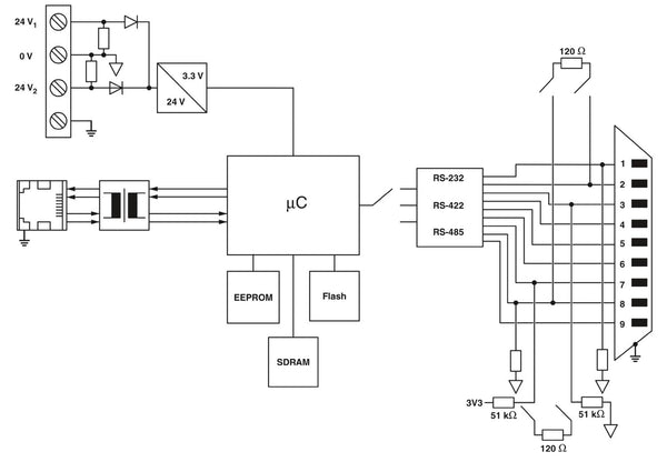
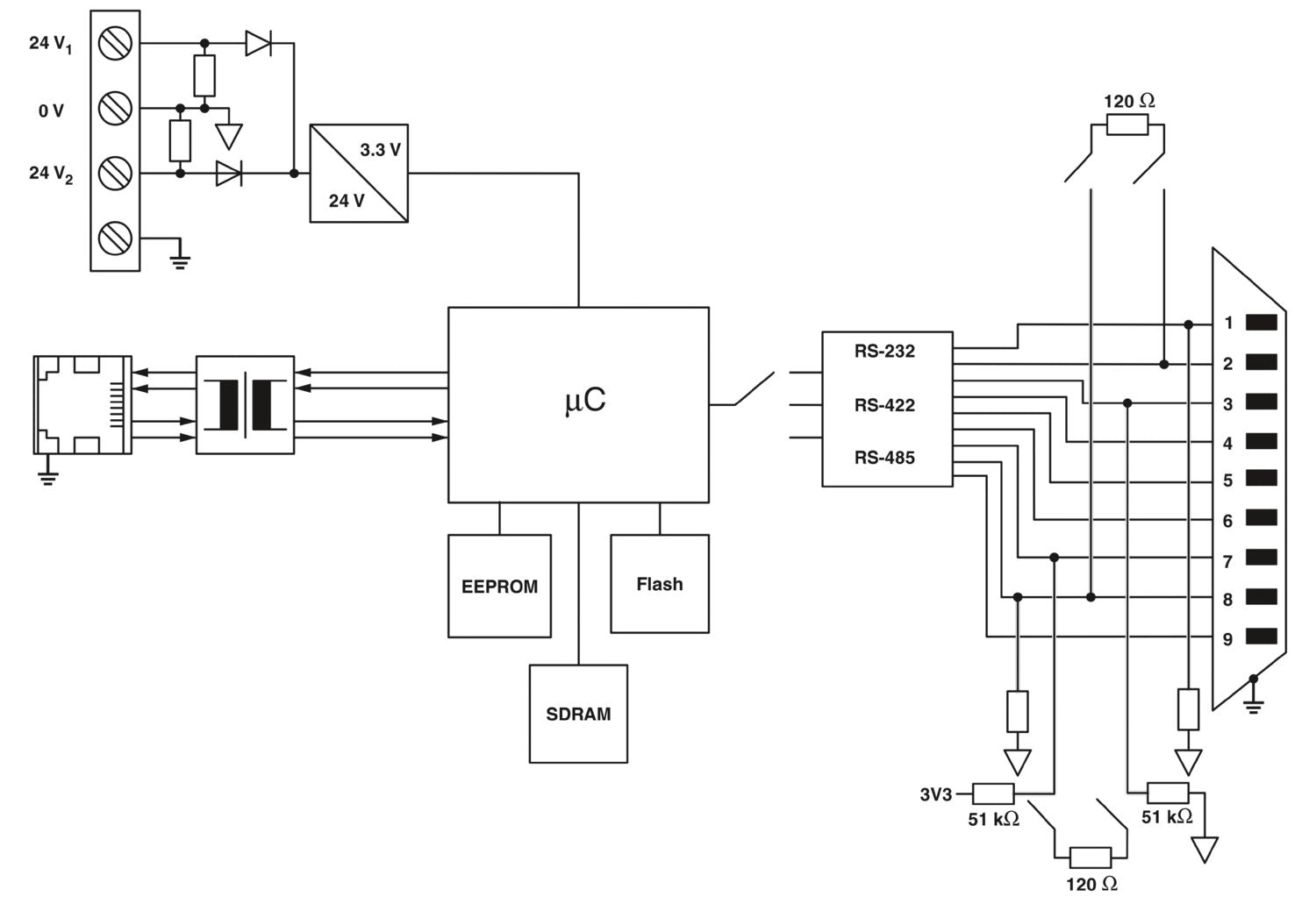
Serial device server for converting serial data (RS-232/422/485) to Ethernet data (RJ45). Supports TCP and UDP protocols. COM port redirector software and Windows drivers are available for download. Includes one RJ45 port and one D-SUB 9 port.
Your cart is empty.
Return to shop