









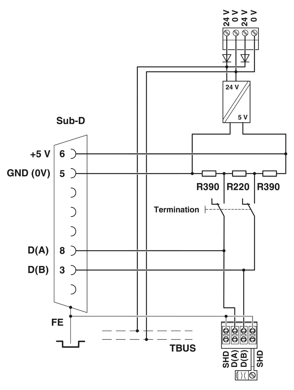
Active termination resistor for PROFIBUS and RS-485 bus systems, redundant power supply, routing of the supply voltage via DIN rail connector, electrical isolation, switchable termination, integrated programming interface
Your cart is empty.
Return to shop