

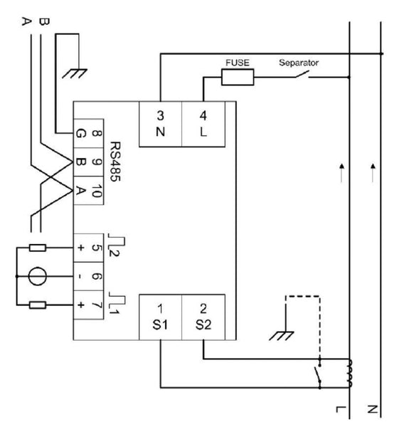
The EM110-RTU-2P is a high-precision industrial energy meter designed for reliable performance in demanding applications. Featuring a robust construction and advanced communication capabilities, it ensures accurate monitoring and data transmission. Ideal for industrial automation and power management, this meter provides efficient energy measurement and seamless integration with RTU systems.
Your cart is empty.
Return to shop