

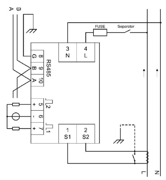
The EM111-RTU-2P is a high-precision industrial energy meter designed for accurate monitoring and reliable performance in demanding applications. With advanced communication capabilities and a durable construction, it ensures efficient energy measurement and seamless integration with RTU systems. Ideal for industrial automation and power management, this meter provides stable and precise data transmission.
Your cart is empty.
Return to shop